√ リクシル サッシ 納まり図 342725-リクシル サッシ 納まり図
より高性能へ。 より使いやすく。 断熱性、採光性、デザイン性、耐久性、すべてを進化させた高性能樹脂窓です。 ※縦すべり出し窓(TF) 複層ガラス(アルゴンガス入り) 片側LowEグリーン(3163)樹脂スペーサー アングル付・アングルなし納まり図インプラス 引違い窓 インプラス 引違い窓窓・テラスタイプ 527KB インプラス ふかし枠等、オプション 596KBNov 18, · リクシル アウトセット 納まり図 ドアプラス TA 円 lixil その他 特注サイズ ラシッサs アウトセット方式 片引戸 標準タイプ asaklgs 錠無し w:mm × h:mm lixil リクシル tostem トステム 納まり図 (アウトセット引戸) 円 lixil その他 ラシッ
Lixil ビジネス情報 データサービス Cadデータ
リクシル サッシ 納まり図
リクシル サッシ 納まり図-187円 窓 建具 木材・建築資材・設備 花・ガーデン・DIY 寒冷地の寒さ対策 お風呂の窓の断熱 防音 防犯 省エネ対策にDIYで二重窓にリフォームできます LIXIL リクシル の内窓完成品出荷 トステム内窓インプラス 浴室用ユニットバス納まり 断熱 二重窓 DIY 二重サッシ 2重窓 2重サッシ 窓ガラス玄関ドア・引戸 カタログ閲覧玄関ドア・引戸(建築関係者さま向け) 建主さま向け 窓・シャッター 玄関ドア・引戸 インテリア建材 インテリアファブリック エクステリア タイル建材



Lixil ビジネス情報 データサービス Cadデータ
アルミサッシ 通販 Life Support Hamaya サッシ 販売 | 納まり図 引違い窓 半外付 アングル付 Life Support Hamayaはアルミサッシの販売を中心に見積相談や皆様のお役に立てるサイトを目指しています。 HOME 施工販売範囲 法令表示 お問合せ窓口エピソードII NEO NEW 『樹脂』のメリットをプラス。 アルミ窓から大きく進化した、新しいアルミ樹脂複合窓。 高い断熱性能と毎日の使いやすさで、家族みんなに心地よい空間をつくります。カタログビューで見る マイバインダーに追加 ダウンロード 部材価格表/有償品価格表 インプラス 浴室仕様 67 ~ 67 カタログビューで見る マイバインダーに追加
ア、 サッシ等の呼称記号は、幅・高さ共に「内法基準寸法」を基本として設定します。 イ、 サッシ等の呼称記号は、「幅3桁高さ2桁=5桁」で表示します。 例1) 910モジュール 関東側 幅:1650 高ダウンロード 断熱サッシ シンプルアートシリーズ(シンフォニーウッディ/マイルド) 486 ~ 491 カタログビューで見る マイバインダーに追加 ダウンロード 断熱サッシ マイスター II/フローラルマイスター(樹脂サッシ)サッシコーディネート窓商品カタログ SL1400 07 21年03月
ダウンロード マイバインダーに追加ダウンロード 納まり図 2枚連動 既設ドア:半外付け納まり(プロント) / 外額縁:大 / 内額縁:アルミ額縁 大 + ラフォレスタ 98 マイバインダーに追加 ダウンフロンテック加工図集丁番ドア編 FD00 01 21年07月高性能住宅工法 ビル・マンション・店舗 各種施設用設備機器 その他 建築関係者さま向け カタログ閲覧 カタログ請求 ご使用方法 使い方



Lixil ビジネス情報 データサービス Cadデータ



Lixil ビジネス情報 データサービス Cadデータ
選択する 詳細図 大臣認定防火設備 (個別認定)改装商品 BG1 カバー工法 たてすべり出し窓換気付非常用進入口仕様 既設枠70見込 持出タイプ/35mm溝幅 DWG | JWW | DXF 選択する 詳細図 EXIMA31 改装商品カバー工法引違い窓 (2枚建)Bタイプ/14mm溝サッシバリアフリー 換気商品 内蔵サッシブラインド 出窓 収納型網戸 関連商品マンション 共通付属品 商品その他の 納まり参考図 防音サッシ (防火) 大臣認定防火設備70mm枠スタンダードサッシ 防音サッシ fnsⅡ70 引違い窓 p579 fns70eat fix窓(内押縁) p5デュオpgの商品特長・規格サイズ・納まり図を掲載した商品カタログです。 サッシのお手入れ方法について 5 リクシルオーナーズクラブ 526



アルミサッシ シャッターサッシ 引き違い 165 W1690 H30 半外型 Lixil デュオpg イタリア 窓サッシ 引違い窓 Diy リフォームおたすけdiy



本店は 楽天市場 リクシル 玄関ドア ジエスタ2 K4仕様 p12型デザイン 片開きドア トステム Lixil Tostem 断熱玄関ドア Giesta 住宅用 アルミサッシ 玄関ドア おしゃれ 交換 リフォーム Diy 建材屋 リフォーム建材屋 オープニング大放出セール Blog Belasartes Br
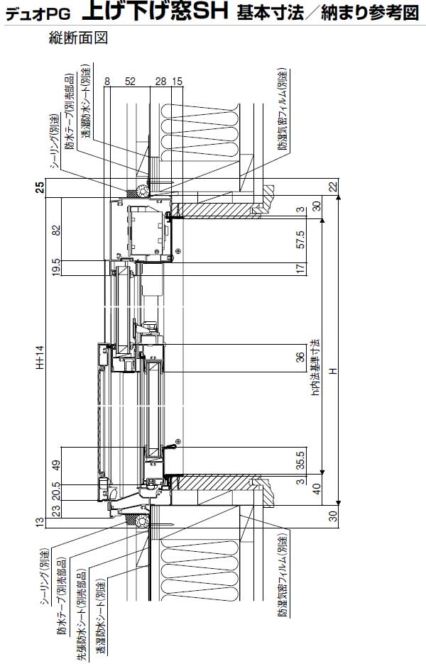
基本寸法/納まり参考図 縮尺:1/6 78 商品の色は、印刷の特性上、実物とは多少異なる場合がございますのでご了承ください。 デュオpg シャッターサッシ イタリヤ (半外付型) e461g e461 シャッターサッシ イタリヤ 半外付型 アングル付 ボックスs型 窓 縦断面図サーモスⅡH/サーモスL ハイブリッドで暮らしが変わる。 明るく開放的なパノラマ空間を実現するTOSTEMのハイブリッド窓。 コンセプト フレームを極小化し、採光性を向上。 また高い断熱性とすっきりとした意匠性を両立している点が高く評価されましサッシw㎜ 640 730 780 呼称高 内法基準h㎜ サッシH㎜ 姿図 (外観) 本体部ランマ部 18 1, 800 1, 0 呼称 (l/r) (l/r) (l/r) 712 ―― 換気無 a型 ¥93,100 ¥94,400 ¥94,400 b型 ¥90,0 ¥91,700 ¥91,700 c型 ¥97,300 ¥98,800 ¥98,800 d型 ¥94,900 ¥96,300 ¥96,300 e型 ¥110,100 ¥112,000 ¥112,000



評判 リクシル Lixil 両開き窓 室内用窓 リビング 建具 サッシ 5月はエントリーでp10倍 室内窓 ラシッサs リフォーム Lixil W734 H923mm Diy Lga 室内用サッシ ケーシング枠 窓 トステム 0709



楽天市場 6月はエントリーで全品p10倍 アルミサッシ 窓 外付型 2枚引き違い W17h1802 デュオpg Lixil リクシル アルミサッシ 引違い窓 リフォームおたすけdiy楽天市場店
サッシ・玄関基礎研修 建築基礎知識、サッシ・玄関商品の体系・特徴を理解し、カタログの見方や図面からの打合わせの仕方を習得します。 定員 名 ※定員に達し次第、締め切らせていただきます。 ※最少開催人数 5名 日数 3日間 受講料 ¥10,500ビル用高意匠隠框サッシ「ESHAPE Window TYPES」大臣認定防火設備(個別認定)新発売 ビル用カーテンウォール「RX60」大臣認定防火設備(個別認定)組込み仕様新発売 ビル用カーテンウォール「ESHAPE」大臣認定防火設備(個別認定)組込み仕様新発売 1810Mar 18, 14 · 2 窓枠納まり図 窓サッシアングル下納まりの場合 窓サッシ突き当て納まりの場合 ( )寸法は奥行290mm、 寸法は奥行446mmの フリーサイズ窓枠の場合を示す。 ( )寸法は奥行290mm、 寸法は奥行446mmのフリーサイズ窓枠の場合を示す。



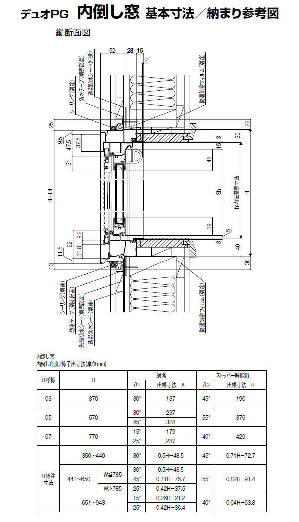
アルミサッシ 内倒し窓 中古 寸法 W640 H570 Lixil リフォーム デュオpg リクシル サッシ 窓 Diy



1
マンションリフォーム用アルミカバーサッシ prose・rf・bfg 大臣認定防火設備(個別認定)ページ追加 0401 マンションリフォーム用アルミ樹脂複合カバーサッシ samosh rf 大臣認定防火設備(個別認定)ページ追加 0110CADデータダウンロード YKK AP株式会社 ビジネスのお客様 HOME データダウンロード CADデータダウンロード ビル用商品 CADデータ ダウンロード TOP 住宅用商品鉄骨納まり RMG-70 引違い窓 外額縁納まり st(別途) st(別途) 納まり参考図 30 55 15 40 70 85 2 55 310 12 70 2 40 26 2925 60 15 11 25 3 55 15 12 26 38 2 9252 2 H W 3237BUILLindd 337 PM



Lixil マンションドアrs シリーズ 仕様 納まり参考図 枠バリエーション Cadデータ



Lixil マンションドアrs シリーズ 仕様 納まり参考図 枠バリエーション Cadデータ
納まり参考図 P 750 69 70 mm 防音サッシ断熱・ 防音サッシ 一般サッシ 共通商品 断熱・ 防音サッシ 防音サッシ 共通商品 (防火) (防火) 複合サッシ サッシバリアフリー 換気商品 内サッシブラインド 出窓 収納型網戸 関連マンション 付 商品その他の選択する 詳細図 納まり参考図 EXIMA31 セットバック納まり 引違い窓 (2枚建)Cタイプ/35mm溝幅 外装タイル DWG | JWW | DXF 選択する 詳細図 納まり参考図 EXIMA31Wb RC納まり T2 引違い窓 (2枚建)Eタイプ/36mm溝幅 可動網戸 WS10E型外装タイル納まり参考図・木造(pdf)(37 kb) 著作権について 本図面ダウンロードサービスのデータの著作権および所有権は、弊社が所有しております。



Lixil ビジネス情報 データサービス Cadデータ



Lixil ビル マンション 商品 Pro Se 商品概要 引違い窓群
一般改装/一般改装アルミ-アルミ納まり参考図 かぶせ工法 カバー工法(ビス止め方式) 5 5 2 0 35 70 1 0 50 4060 1 0 4 5 1 2 2 5 15 5 0 2515 4 0 6 0カタログコード: sl0100 / 19年07月 / 全468ページ サーモスiihとサーモスlの商品特長と規格サイズ、納まり図を掲載した商品カタログです。新商品 LW スライディング 1枚障子のスライドスタイル。 1枚ガラスの大開口スライディング窓を、視界を遮らないフレームインデザインで設計し、開けても・閉めても、外とつながる特別な心地よさを満喫できる点、更に、アルミと樹脂のハイブリッド構造



アルミサッシ 面格子付引き違い W1690 H570 Lixil リクシル デュオpg アルミサッシ 引違い リフォーム Diy Kenzai 年中無休



Lixil ビル マンション 商品 Pro Se 商品概要 引違い窓群
または商品名・窓種のキーワードや、カタログ納まり図ページの CAD No(※)で検索して、住宅サッシの意匠設計用データ及び、 施工図用(納まり詳細図)CADデータをダウンロードできます ※詳しくは操作手順をご覧ください。 カタログから探す納まり図 640 fix窓 連窓・段窓部材 単体サッシ 引違い窓 シャッター サッシ 雨戸サッシ 面格子付サッシ 専用有償品 上げ下げ窓sh 装飾窓 面格子付 上げ下げ窓sh 上げ下げ窓dh 面格子付 上げ下げ窓dh 大型スクエア窓 縦すべり出し窓 縦すべり出し窓サッシコーディネート窓商品カタログ サッシ、ガゼリアn、断熱土間引戸、スカイシアターの施工例・商品特長・規格サイズ・納まり図を掲載しています。 リクシルオーナーズクラブ 296



ビル用ウインドウ ドア 納まり参考図のcadデータ一覧 Ykk Ap株式会社



Lixil ビジネス情報 データサービス Cadデータ



Lixil マンションドアnt シリーズ 仕様 納まり参考図 枠バリエーション Cadデータ



新しいコレクション 楽天市場 アパート用玄関ドア Lixil リジェーロa防火戸 K2仕様 16型 ランマ無 W785 H1912mm リクシル トステム 玄関サッシ アルミ枠 本体鋼板 集合住宅用 玄関ドア リフォーム Diy 法人様は送料無料 リフォームおたすけdiy楽天市場店 最適な



Lixil Fix窓シリーズ



訳ありセール格安 玄関ドア リクシル ジエスタ2 K4仕様 c72型デザイン 片袖ドア トステム Lixil Tostem 断熱玄関ドア Giesta 住宅用 アルミサッシ 玄関ドア 安い おしゃれ 新設 リフォーム 法人様は送料無料 在庫有 Lexusoman Com



樹脂アルミ複合サッシ 2枚建 引き違い窓 寸法 W1540 H2230mm Lixil リクシル サーモスl 半外型 引違い窓 一般複層 Low E複層ガラス リフォーム Diy リフォームおたすけdiy



Lixil ビジネス情報 データサービス Cadデータ



Lixil マンションドアrs シリーズ 仕様 納まり参考図 枠バリエーション Cadデータ



Lixil ビジネス情報 データサービス Cadデータ



楽天市場 6月はエントリーで全品p10倍 窓 サッシ 樹脂アルミ複合サッシ テラスドア W780 H10mm Lixil サーモスl 半外型 一般複層ガラス Low E複層ガラス リフォーム Diy リフォームおたすけdiy楽天市場店



人気絶頂 勝手口ドア本体のみ 枠は既存利用 オーダーサイズ Dw366 865mm Dh507 48mm 丁番付 ロンカラーガラスドア 単板ガラス リクシル アルミサッシ Kenzai 最新の激安 Www Indocal Gob Do



Lixil ビジネス情報 データサービス Cadデータ



アルミサッシ 引き違いテラス 4枚建 Lixil リクシル デュオpg 377 W3810 H30mm 半外型枠 複層ガラス 樹脂アングルサッシ 窓サッシ 引違い窓 Diy リフォームおたすけdiy



アルミサッシ シャッターサッシ 引き違い 165 W1690 H30 半外型 Lixil デュオpg イタリア 窓サッシ 引違い窓 Diy リフォームおたすけdiy



Lixil ビジネス情報 データサービス Cadデータ



アルミサッシ 引き違い窓 外付型 2枚引き違い 寸法 W1265 H302 デュオpg リフォーム Lixil Diy 一般複層ガラス リクシル サッシ 定番キャンバス 引違い窓



楽天市場 6月はエントリーで全品p10倍 アルミサッシ 窓 外付型 2枚引き違い W17h1802 デュオpg Lixil リクシル アルミサッシ 引違い窓 リフォームおたすけdiy楽天市場店



Lixil マンションドアnt シリーズ 仕様 納まり参考図 枠バリエーション Cadデータ



1



Lixil ビジネス情報 データサービス Cadデータ



楽天市場 6月はエントリーでp10倍 アルミサッシ 窓 引き違いテラス Lixil リクシル デュオpg 150 W1540 H30mm 半外型枠 複層ガラス 樹脂アングルサッシ 窓サッシ 引違い窓 Diy リフォームおたすけdiy楽天市場店



アルミサッシ 上げ下げ窓sh 寸法 W300 H1370 リクシル トステム 豊富な品 窓 リフォーム サッシ Diy デュオpg



注目の リクシル 玄関ドア ジエスタ2 K4仕様 S18型デザイン 片開きドア トステム Lixil Tostem 断熱玄関ドア Giesta 住宅用 アルミサッシ 玄関ドア おしゃれ 交換 リフォーム Diy 建材屋 最適な価格 Lexusoman Com



アルミサッシ 横すべり出し窓 寸法 W640 H970 Lixil リフォーム 窓 デュオpg Diy 新作販売 サッシ



新しい到着 勝手口ドア Lixil リクシル ロンカラーガラスドア内付 0617 サッシ寸法w600 H1755 勝手口出入口 内付型 サッシ ローコスト 建材屋 人気ショップが最安値挑戦 Sari Energy Org



最安値挑戦 楽天市場 リクシル 玄関ドア ジエスタ2 K2仕様 S17型デザイン 片開きドア トステム Lixil Tostem 断熱玄関ドア Giesta 住宅用 アルミサッシ 玄関ドア おしゃれ 交換 リフォーム Diy 建材屋 リフォーム建材屋 珍しい Lexusoman Com



値下げ サーモスii H 面格子付引違い窓 W13mm H970mm 樹脂アルミ複合サッシ ハイブリッド窓 Lixil 窓 高遮熱 リフォーム Diy Pg障子 大流行中 Skylanceronline Com



Lixil Tostem リクシル アルミ縦面格子 壁付 枠付 面格子寸法w926 H4 リフォームおたすけdiy



Lixil ビジネス情報 データサービス Cadデータ



楽天市場 6月はエントリーで全品p10倍 アルミサッシ 窓 引き違いテラス W1640 H2230 Lixil リクシル デュオpg 高断熱複層硝子 アルミサッシ 引違い窓窓 リフォームおたすけdiy楽天市場店



Lixil ビジネス情報 データサービス Cadデータ



アルミサッシ 2枚建 174 雨戸サッシ半外付型 Lixil リクシル デュオpg オンライン サッシ寸法w1780 H30mm リフォーム建材屋 複層硝子 樹脂アングルで結露軽減



Lixil ビジネス情報 データサービス Cadデータ



アルミサッシ 通販 Life Support Hamaya サッシ 販売 納まり図 引違い窓 内付



Lixil ビジネス情報 データサービス Cadデータ



リクシル 室内窓 ラシッサs デコマド Fix窓 枠 両側壁納まり Lga 1列 1段 窓台設置 W576 H430mm Lixil トステム 室内用 サッシ 窓 建具 Diy Ls12a1 Lga リフォームおたすけdiy 通販 Yahoo ショッピング



Lixil ビジネス情報 データサービス Cadデータ



Lixil ビル マンション 商品 Pro Se 商品概要 引違い窓群



評判 リクシル Lixil 両開き窓 室内用窓 リビング 建具 サッシ 5月はエントリーでp10倍 室内窓 ラシッサs リフォーム Lixil W734 H923mm Diy Lga 室内用サッシ ケーシング枠 窓 トステム 0709



楽天市場 アルミサッシ 引き違い Lixil リクシル アトモスii W1690 H770mm 半外型枠 単板ガラス 窓サッシ 引違い窓 建材屋 リフォーム建材屋



Lixil ビジネス情報 データサービス Cadデータ



数量は多 楽天市場 リクシル 玄関ドア ジエスタ2 K4仕様 S12型デザイン 親子ドア 採光あり トステム Lixil Tostem 断熱玄関ドア Giesta 住宅用 アルミサッシ 玄関ドア おしゃれ 交換 リフォーム Diy 建材屋 リフォーム建材屋 本店は Lexusoman Com



数量限定 採風勝手口引き戸 サーモスl ガゼリアn エアスライド W600 H1800 Mm Lixil リクシル 勝手口ドア 引戸 樹脂アルミ複合サッシ リフォーム Diy 正規店仕入れの Penguinfrigo Co Uk



Lixil ビジネス情報 データサービス Cadデータ



Lixil ビジネス情報 データサービス Cadデータ



Lixil ビジネス情報 データサービス Cadデータ



採風勝手口ドア 低価格化 Lixil デュオpg 複層硝子 ランマなし サッシ寸法w730 H10 トステム サッシ リクシル 通風 アルミサッシ 建具



1



限定価格セール 楽天市場 リクシル 玄関ドア ジエスタ2 K4仕様 M15型デザイン 片開きドア トステム Lixil Tostem 断熱玄関ドア Giesta 住宅用 アルミサッシ 玄関ドア おしゃれ 交換 リフォーム Diy 建材屋 リフォーム建材屋 楽天 Lexusoman Com



Lixilインプラス 引き違い窓 浴室仕様 ユニットバス納まり 複層ガラス 不透明4mm 透明3mmガラス 幅550 1000mm 高601 1000mm Inp 1000x1000 Pf4 U ノース ウエスト 通販 Yahoo ショッピング



アルミサッシ 引き違い窓 外付型 2枚引き違い 寸法 W1265 H302 デュオpg リフォーム Lixil Diy 一般複層ガラス リクシル サッシ 定番キャンバス 引違い窓



玄関引戸 リクシル エルムーブ2 L27型 片袖 本体鋼板仕様 呼称w164 W1640 H22mm 玄関引き戸 Lixil Tostem トステム 玄関ドア サッシ リフォーム Diy Eru2 L27 W164 リフォームおたすけdiy 通販 Yahoo ショッピング



1



浴室ドア トステム 風呂用中折れドア



Lixil ビジネス情報 データサービス Cadデータ



Lixil ビジネス情報 データサービス Cadデータ



アルミサッシ シャッターサッシ 引き違い 165 W1690 H30 半外型 Lixil デュオpg イタリア 窓サッシ 引違い窓 Diy リフォームおたすけdiy



楽天市場 アルミサッシ 雨戸サッシ2枚障子 雨戸2枚 鏡板無戸袋枠 Lixil Tostem デュオpg 呼称 W1235 H1170mm 複層ガラス 半外付型枠 建材屋 リフォーム建材屋



採風勝手口ドア Lixil デュオpg ペア硝子 ランマなし サッシ寸法w730 H2230 建具 アルミサッシ 複層 通風 アルミサッシ リフォームおたすけdiy



単体シャッター 手動 雨戸 耐風タイプ 新築 規格サイズ 手動 W1235 H970mm リクシル トステム 旧クワトロ 耐風 防犯 雨戸 アルミサッシ 窓 新築 新設用 先付シャッター Atoquattro アルミサッシ専門店



Lixil ビジネス情報 データサービス Cadデータ



Lixil マンションドアrs シリーズ 仕様 納まり参考図 枠バリエーション Cadデータ



再再販 アルミサッシ Lixil リクシル デュオpg 装飾窓 Fix窓 サッシ寸法w300mm H1170mm 窓廻り サッシ 複層 採光 ドリーム 安いそれに目立つ Www Indocal Gob Do



Lixil リクシル アルミサッシ デュオpg 装飾窓 内倒し窓 サッシ寸法w780 H770 リフォームおたすけdiy



玄関引戸 リクシル エルムーブ2 L27型 片袖 本体鋼板仕様 呼称w164 W1640 H22mm 玄関引き戸 Lixil Tostem トステム 玄関ドア サッシ リフォーム Diy Eru2 L27 W164 リフォームおたすけdiy 通販 Yahoo ショッピング



Lixil ビジネス情報 データサービス Cadデータ



アルミサッシ 通販 Life Support Hamaya サッシ 販売 納まり図 引違い窓 内付



アルミサッシ 縦面格子付引き違い W730 H970 Lixil リクシル デュオpg アルミサッシ 引違い リフォーム Diy リフォームおたすけdiy



全ての リクシル 玄関ドア ジエスタ2 K2仕様 M型デザイン 片開きドア トステム Lixil Tostem 断熱玄関ドア Giesta 住宅用 アルミサッシ 玄関ドア 交換 リフォーム Diy ドリーム Resources Strategies360 Com



楽天市場 7月はエントリーで全品p10倍 オーダーサイズ リクシル アウトセット引き戸 片引戸 ラシッサs Laa Dw540 990 Dh1700 2368mm 建具 ドア 室内ドア アウトセット引き戸 おしゃれ 交換 室内ドア リフォーム Diy リフォームおたすけdiy楽天市場店



Lixil ビジネス情報 データサービス Cadデータ



日本製 アルミサッシ デュオsg 単体サッシ 半外付型 呼称 lixil リクシル トステム 引違い窓 引き違い窓 マド ガラス窓 単板 一枚 ガラス 人気満点 Yowerikmuseveni Com



Lixil ビジネス情報 データサービス Cadデータ



Lixil ビジネス情報 データサービス Cadデータ



楽天市場 6月はエントリーでp10倍 アルミサッシ 窓 シャッターサッシ 引き違い W1540 H970 半外型 Lixil デュオpg イタリア 窓サッシ 引違い窓 Diy 法人様は送料無料 リフォームおたすけdiy楽天市場店



半額品 楽天市場 玄関ドア リクシル ジエスタ2 K4仕様 c72型デザイン 両袖ドア トステム Lixil Tostem 断熱玄関ドア Giesta 住宅用 アルミサッシ 玄関ドア 安い おしゃれ 新設 リフォーム 法人様は送料無料 リフォームおたすけdiy楽天市場店 レビューで送料無料



アルミサッシ 内倒し窓 中古 寸法 W640 H570 Lixil リフォーム デュオpg リクシル サッシ 窓 Diy



第1位獲得 楽天市場 リクシル 玄関ドア ジエスタ2 K2仕様 D33型デザイン 片開きドア トステム Lixil Tostem 断熱玄関ドア Giesta 住宅用 アルミサッシ 玄関ドア おしゃれ 交換 リフォーム Diy 建材屋 リフォーム建材屋 新着商品 Webmail Tas Com Do



リクシル 断熱玄関ドア ジエスタ2 防火戸k4仕様 P21型 片開きドア トステム Lixil Tostem Giesta 住宅 玄関サッシ ドア 交換 リフォーム Diy リフォームおたすけdiy



新規購入 リクシル 玄関ドア ジエスタ2 K4仕様 D43型デザイン 片開きドア トステム Lixil Tostem 断熱玄関ドア Giesta 住宅用 アルミサッシ 玄関ドア おしゃれ 交換 リフォーム Diy 建材屋 年最新海外 Prestomaalaus Fi



Lixil ビジネス情報 データサービス Cadデータ



Lixil ビジネス情報 データサービス Cadデータ



Web限定 リクシル 玄関ドア ジエスタ2 K4仕様 M92型デザイン 両袖ドア トステム Lixil Tostem 断熱玄関ドア Giesta 住宅用 アルミサッシ 玄関ドア おしゃれ 交換 リフォーム Diy 建材屋 数量は多 Lexusoman Com



最新人気 4月はエントリーでp10倍 玄関ドア リクシル ジエスタ2 K4仕様 M11型デザイン 親子ドア 入隅 採光あり トステム Lixil Tostem 断熱玄関ドア Giesta 住宅用 アルミサッシ 玄関ドア 安い おしゃれ 新設 リフォーム 法人様は送料無料 格安 Lexusoman Com



Lixil ビジネス情報 データサービス Cadデータ



Lixil ビジネス情報 データサービス Cadデータ



アルミサッシ 縦面格子付引き違い W730 H970 Lixil リクシル デュオpg アルミサッシ 引違い リフォーム Diy リフォームおたすけdiy



中の口引戸 リクシル エルムーブ2 L18モデル 一つ本引き 本体鋼板スペック 外題w160 W1608 H2150mm 玄関引き戸 Lixil Tostem トステム 玄関入口 サッシ リフォーム Diy 法人様は貨物輸送無料 Cannes Encheres Com



リクシル 室内窓 ラシッサs Laa ケーシング付枠 0704 W780 H401mm ランマ用窓 Lixil トステム 室内用サッシ 窓 建具 リフォーム Diy Ls11ek Laa リフォームおたすけdiy 通販 Yahoo ショッピング

コメント
コメントを投稿